在测试电流时,经常会被下列问题困扰:
1. 测试电流范围较广,从10A级别到mA、μA、nA级别甚至是pA、fA级别这样的超小电流,寻找测试设备时无法选择同一个品牌的仪器而烦恼。
2. 即使找到了符合范围的所有仪器,也无法解决测量精度问题。
3. 解决了测量精度问题,测量速度又不够。
4. 测量速度够了,又面临只能测试单个器件,无法提高测试效率。
5. 测试效率提高了,需要配套自动化设备进一步提高测试效率怎么办?
6. 解决了上述问题后,又需要解决测量结果实时记录及统计等问题。

那么,能否找到一个厂商,能够解决上面所有问题?
答案是有,常州同惠电子提供了电流测试的综合解决方案。
一. 单通道电流解决方案

从同惠电流测试产品线可以看出,单通道电流测试,同惠可以提供下面测试需求:
1. 电流从fA级别到10A级别,更大电流的测试可以通过数字功率计或者万用表加电流传感器来解决。
2. 测量精度从0.02%-2%级别,基本涵盖了大多数测试需求,甚至超小电流(fA级别)也不在话下。
3. 测量速度从40ms到1000000点/秒(1μs),基本解决了测量速度问题。
4. 所有机器均可配备HANDLER接口,并提供了SCPI或MODBUS协议,和自动化配套毫无压力。
5. 提供上位机支持,可进行数据存储及统计
6. 针对特殊应用需求,同惠可提供自动化一体式测试方案。
一. 多通道电流解决方案
在需要测试多个器件或者回路的电流时,常见的解决方案是用数据采集器或者数据记录仪。
1. 同惠TH2554数据采集器
测试电流:1μA -10A
测试通道:≤160CH,采集电流需加电流传感器
测量速度:1000次/秒
板卡扫描速度:低速板卡:90通道/秒,高速板卡:800通道/秒

数据采集器的优点是测试精度高,缺点是扫描速度慢。
数据记录仪的优点是扫描速度快,缺点是测量精度差。
无论是数据采集器还是数据记录仪,都无法解决μA级别以下的超小电流测试,比如测试如下产品时。

此类产品的特点是,回路电流特别小,基本都在nA、pA甚至是fA级别,要实现大批量、高速度、高精度测量,非常困难。
幸好,同惠提供了这类超小电流的快速测试方案:
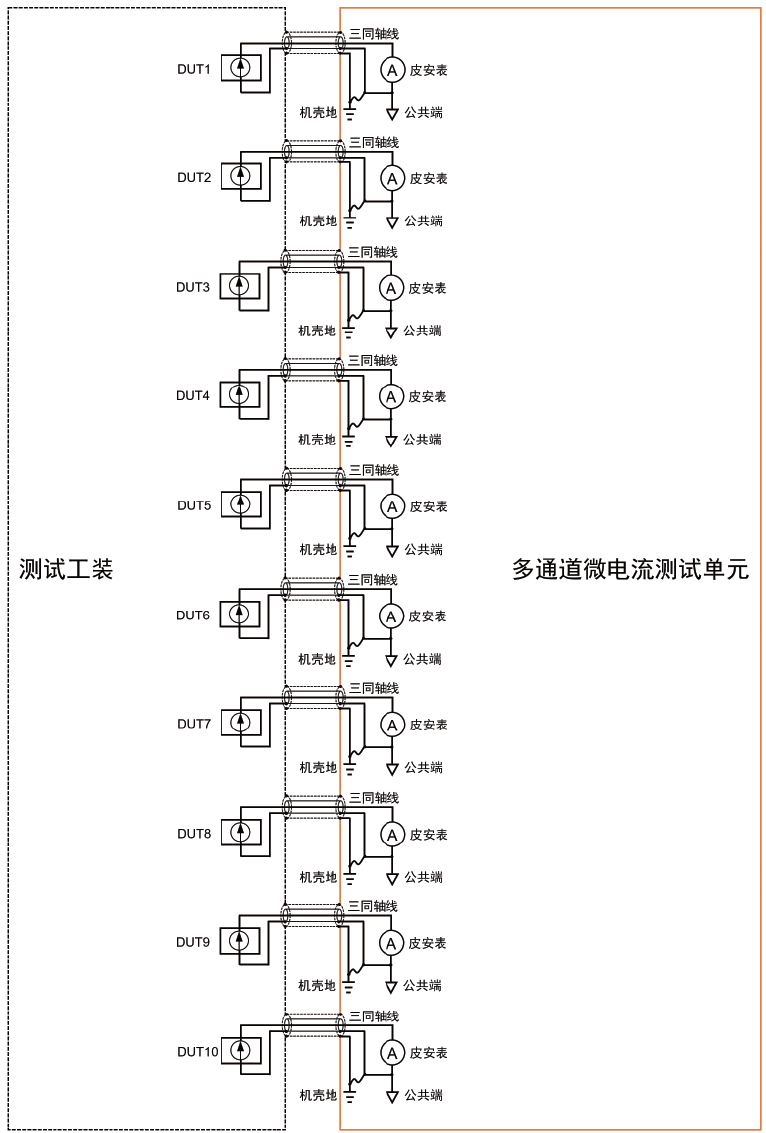
2. TH300系列多通道电流测试系统
多通道解决方案以TH2690系列飞安表技术为基础,保证了测试小电流的精度及采样速度;
采用了模组式运行方式,一个模组支持10个通道的并行(同步)采样,保证了测试速度和效率;

模组间支持扩展,可根据需要扩展至200个通道甚至更多,保证了其扩展性;
数据采集用上位机来控制,可实时采样每个通道的测试结果并用数据、图形等方式显示,测试结果可实时显示合格与否,上位机软件提供了强大的数据分析及存储能力。
对于不同的产品,可根据需求提供测试工装或整套测试系统。

总体结构:

TH300系列多通道电流测试系统作为一套多通道、自动化的测试系统,其准确性、稳定性也是测试系统的重点,良好的硬件基础是测试系统检测的核心,良好的软件系统决
定了测试系统应用水平,良好的人机交互给使用人员带来便利。
测试系统的稳定性能否将设备管理人员的维护量降到最低?
测试系统的扩展性能否为以后平台升级预留接口?
平台升级能否充分利用现有资源,节约建设成本?
这些问题成为都是客户急需解决的问题,TH300系列多通道电流测试系统从软硬件设计及方案设计角度予以充分解决。
系统总体设计上采用国际先进的技术,功能完善、系统先进、安全稳定、拓展性强。
电流采集模块通过合理的技术方式实现了高速及准确的电流采样;
软件系统提供了人性化的人机交互界面,使用者操作便捷。
TH300系列多通道电流测试系统有如下特点:
A 0.1fA的电流测量分辨率
电流监测模块提供了行业领先的0.1fA电流测量分辨率,实现了微电流的精确测量。
B 电流曲线实时显示
通过同惠配套的测试软件,可实现所有通道电流实时显示,便于操作人员查看电流变化趋势。

C 自动分档及分选功能
测试系统配套软件可以对测试结果进行判定,如果电流超出设置的上下限则显示判定失败。
同时可根据需求设置分档功能,每个合格产品自动显示档号。

D 测试参数自主可调
测试参数中的时间节点将在此页面内设置,可设置参数有(时间节点,分选值,零点合格值,数据存储间隔等

E 测试数据自动保存
测试完成后所有采集点位通过Excel格式存储。
F 可扩展为自动化测试线
同惠可根据需求,完成一体化自动测试线设计,如下图:

该线体分为自动上料、测试、分析、收料等部分,全部自动化。
电流模块技术参数
产品型号 | TH2550T | |
测量分辨率 | 61/2位 | |
电流测量 | ||
量程 | 精度 | 分辨率 |
20pA | ±(1%+5fA) | 0.1fA |
200pA | ±(0.5%+5fA) | 0.1fA |
2nA | ±(0.2%+50fA) | 1fA |
20nA | ±(0.2%+3pA) | 10fA |
200nA | ±(0.2%+5pA) | 100fA |
2μA | ±(0.1%+50pA) | 1pA |
20μA | ±(0.05%+500pA) | 10pA |
200μA | ±(0.05%+5nA) | 100pA |
2mA | ±(0.05%+50nA) | 1nA |
20mA | ±(0.05%+500nA) | 10nA |
测试端子 | ||
电流输入 | 三轴BNC | |
接口 | ||
通讯接口 | USB DEVICE | |
环境温度与湿度 | ||
使用温湿度 | 0°C - 45°C,30 % - 80 %,无冷凝 | |
存放温湿度 | -20°C - 60°C,10 % - 90 %,无冷凝 | |
精度保证 | 23℃±5℃, 30%-80%RH | |
预热时间 | 1小时 | |
环境温度变化 | 自校准后小于±3℃ | |
校准周期 | 1年 | |
整套测试系统配置清单
序号 | 配件名称 | 型 号 | 单位 | 数量 | 备注 |
1 | 工控主机 | 台 | 1 | ||
2 | 键盘、鼠标、显示器 | 套 | 1 | ||
3 | 多通道高精度电流采集模块 | 台 | 10通道/台 | ||
4 | 测试治具 | 套 | |||
5 | 系统机柜 | 台 | 1 | ||
6 | 系统软件 | 套 | 1 | ||
7 | |||||
8 | |||||
9 | |||||
10 | |||||
| 标配 | |||||
| 配件名称 | 型号 | ||||
| 选配 | |||||
| 配件名称 | 型号 | ||||